西安西馳電氣股份有限公司(證券代碼831081),成立于2002年,是一家專業從事電力電子產品研發、制造、銷售的高新技術企業。
了解更多
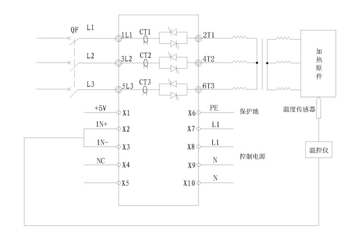
首先我們通過一個圖來看看功率控制器在溫度控制方面的典型應用:
此應用中,功率控制器可選擇為開環或恒壓模式,溫控儀用于目標溫度的設定及現場溫度的采集,將溫控儀的輸出信號接于功率控制器的輸入端,即可實現溫度的閉環控制。功率控制器為上電(主回路及控電)自動運行,無啟停控制開關。
Copyright ? 2019 西安西馳電氣股份有限公司 保留所有版權 陜ICP備09009982號-1
陜公安備 61019002000087